- Управление трехфазными асинхронными двигателями мощностью от 0,75 до 75 кВт
- Предназначен для использования в современных системах отопления, вентиляции и кондиционирования воздуха (HVAC)
- Производство Schneider Electric
Частотный преобразователь
Типоразмерный ряд
|
Мощность двигателя, кВт |
Линейный ток, А |
Автоматический выключатель Q1 |
Автоматический выключатель Q2 |
Магнитный пускатель КМ1 |
Частотный регулятор ATV21 |
|
0,55 |
1,5 |
ВАМУ2,5 |
iK60 3П 2A C |
ПМУ0910М |
ATV212H075N4 |
|
0,75 |
2 |
ВАМУ2,5 |
iK60 3П 4A C |
ПМУ0910М |
ATV212H075N4 |
|
1,1 |
2,7 |
ВАМУ4 |
iK60 3П 4A C |
ПМУ0910М |
ATV212HU15N4 |
|
1,5 |
3,6 |
ВАМУ4 |
iK60 3П 4A C |
ПМУ0910М |
ATV212HU15N4 |
|
2,2 |
5,2 |
ВАМУ6,3 |
iK60 3П 6A C |
ПМУ0910М |
ATV212HU22N4 |
|
3,0 |
7,3 |
ВАМУ10 |
iK60 3П 10A C |
ПМУ0910М |
ATV212HU30N4 |
|
4,0 |
8,9 |
ВАМУ14 |
iK60 3П 10A C |
ПМУ0910М |
ATV212HU40N4 |
|
5,5 |
11,3 |
ВАМУ14 |
iK60 3П 16A C |
ПМУ1210М |
ATV212HU55N4 |
|
7,5 |
15,6 |
ВАМУ18 |
iK60 3П 16A C |
ПМУ1810М |
ATV212HU75N4 |
|
11 |
22 |
ВАМУ25 |
iK60 3П 25A C |
ПМУ2510М |
ATV212HD11N4 |
|
15 |
29 |
ВАМУ32 |
iK60 3П 32A C |
ПМУ3210М |
ATV212HD15N4 |
|
18,5 |
35 |
GV3P40 |
iK60 3П 40A C |
ПМУ4011М |
ATV212HD18N4 |
|
22 |
42 |
GV3P65 |
iK60 3П 50A C |
ПМУ5011М |
ATV212HD22N4 |
|
30 |
57 |
GV3P65 |
iK60 3П 63A C |
ПМУ6511М |
ATV212HD30N4 |


|
Мощность двигателя, кВт |
Линейный ток, А |
Наименование частотного регулятора |
Максимальный переходной ток в течении 60 сек, А |
Габаритные размеры Ш/В/Г, мм |
Масса, кг |
|
0,75 |
1,7 |
ATV212H075N4 |
2,4 |
105/143/150 |
2,0 |
|
1,5 |
3,2 |
ATV212HU15N4 |
4 |
105/143/150 |
2,0 |
|
2,2 |
4,6 |
ATV212HU22N4 |
5,6 |
105/143/150 |
2,0 |
|
3,0 |
6,2 |
ATV212HU30N4 |
7,9 |
140/184/150 |
3,35 |
|
4,0 |
8,1 |
ATV212HU40N4 |
10 |
140/184/150 |
3,35 |
|
5,5 |
10,9 |
ATV212HU55N4 |
13,2 |
140/184/150 |
3,35 |
|
7,5 |
14,7 |
ATV212HU75N4 |
17,6 |
180/232/170 |
6,45 |
|
11 |
21,1 |
ATV212HD11N4 |
24,8 |
180/232/170 |
6,45 |
|
15 |
28,5 |
ATV212HD15N4 |
33,6 |
245/330/190 |
11,65 |
|
18,5 |
34,8 |
ATV212HD18N4 |
40,7 |
245/330/190 |
11,65 |
|
22 |
41,6 |
ATV212HD22N4 |
47,9 |
240/420/210 |
26,4 |
|
30 |
56,7 |
ATV212HD30N4 |
64,4 |
240/420/210 |
26,4 |

|
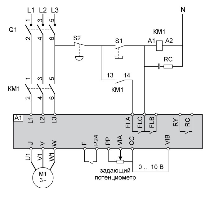
FLA, FLC и FLB |
релейный дискретный выход с одним НЗ и НР контактами с общей точкой. Могут быть использованы как реле неисправности для дистанционного контроля состояния частотного регулятора. Контакты реле меняют свое состояние только при возникновении аварии. Максимальный рабочий ток: при активной нагрузке — 5 А / 250 В переменного или 30 В постоянного тока при индуктивной нагрузке — 2 А / 250 В переменного или 30 В постоянного тока |
|
RY и RC |
НР контакты реле. Замыкаются при работе вентилятора. Могут быть использованы для управления приводом воздушной заслонки. Максимальный рабочий ток: при активной нагрузке — 5 А / 250 В переменного или 30 В постоянного тока при индуктивной нагрузке — 2 А / 250 В переменного или 30 В постоянного тока |
|
VIB |
управляющий сигнал 0 ... 10 В при программировании диапазона регулирования от 25 до 50 Гц, сигналу 0 В соответствует частота 25 Гц, а 10 В — частота 50 Гц |
|
F и P24 |
внешний запуск частотного регулятора. При замыкании вентилятор начинает вращаться с заданной скоростью. Если контакты размыкаются, то вентилятор останавливается. Если эти контакты замкнуть, то двигатель вентилятора можно вкл/выкл подачей питания. |
|
CC и VIA |
управляющий сигнал от внешнего потенциометра ( 4,7 - 15 кОм). при программировании диапазона регулирования от 25 до 50 Гц, сопротивлению ноль Ом соответствует частота 25 Гц, а 15 кОм частота 50 Гц |
|
Мощность двигателя, кВт |
Линейный ток, А |
Автоматический выключатель Q1 |
Автоматический выключатель Q2 |
Магнитный пускатель КМ1 |
Частотный регулятор ATV21 |
|
0,55 |
1,5 |
ВАМУ2,5 |
iK60 3П 2A C |
ПМУ0910М |
ATV212H075N4 |
|
0,75 |
2 |
ВАМУ2,5 |
iK60 3П 4A C |
ПМУ0910М |
ATV212H075N4 |
|
1,1 |
2,7 |
ВАМУ4 |
iK60 3П 4A C |
ПМУ0910М |
ATV212HU15N4 |
|
1,5 |
3,6 |
ВАМУ4 |
iK60 3П 4A C |
ПМУ0910М |
ATV212HU15N4 |
|
2,2 |
5,2 |
ВАМУ6,3 |
iK60 3П 6A C |
ПМУ0910М |
ATV212HU22N4 |
|
3,0 |
7,3 |
ВАМУ10 |
iK60 3П 10A C |
ПМУ0910М |
ATV212HU30N4 |
|
4,0 |
8,9 |
ВАМУ14 |
iK60 3П 10A C |
ПМУ0910М |
ATV212HU40N4 |
|
5,5 |
11,3 |
ВАМУ14 |
iK60 3П 16A C |
ПМУ1210М |
ATV212HU55N4 |
|
7,5 |
15,6 |
ВАМУ18 |
iK60 3П 16A C |
ПМУ1810М |
ATV212HU75N4 |
|
11 |
22 |
ВАМУ25 |
iK60 3П 25A C |
ПМУ2510М |
ATV212HD11N4 |
|
15 |
29 |
ВАМУ32 |
iK60 3П 32A C |
ПМУ3210М |
ATV212HD15N4 |
|
18,5 |
35 |
GV3P40 |
iK60 3П 40A C |
ПМУ4011М |
ATV212HD18N4 |
|
22 |
42 |
GV3P65 |
iK60 3П 50A C |
ПМУ5011М |
ATV212HD22N4 |
|
30 |
57 |
GV3P65 |
iK60 3П 63A C |
ПМУ6511М |
ATV212HD30N4 |


Поддержка
Каталог Системы вентиляции
Получить наиболее подробную
информацию о продукции Вы всегда
можете в нашем каталоге.
Единый прайс-лист
В нашем прайс-листе вы найдете
самые актуальные цены на всю
предлагаемую нами продукцию.
Сертификаты на продукцию
Вся продукция завода полностью
сертифицирована и прошла все
необходимые испытания.