ПРЕИМУЩЕСТВА
- Компактные размеры
- Легкость регулировки расхода воздуха
- Различные цвета окраски
Диффузор приточный
регулируемый (дискового типа)
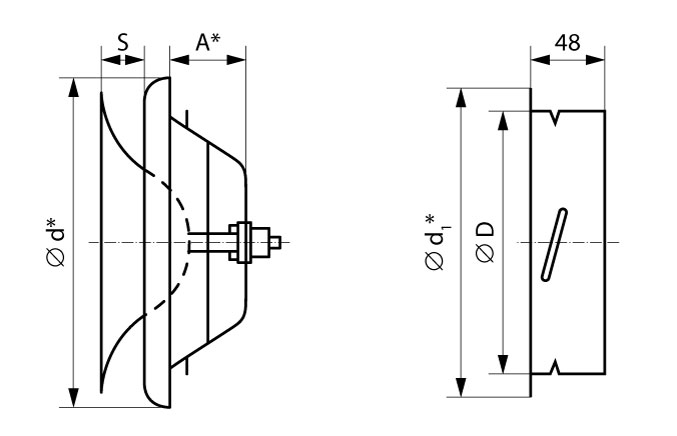
Типоразмерный ряд

|
Обозначение |
ØD |
Ød |
Ød1* |
А |
Масса, г |
Прим |
|
КП 100 |
100 |
137 |
125 |
47 |
295 |
Масса с монтажным кольцом |
|
КП 125 |
125 |
164 |
155 |
49 |
385 |
|
|
КП 160 |
160 |
212 |
186 |
60 |
630 |
|
|
КП 200 |
200 |
248 |
230 |
75 |
965 |

|
Обозна- чение |
Поправка Кoct (дБ) |
||||||
|
Средняя частота по полосе октавы (Гц) |
|||||||
|
125 |
250 |
500 |
1000 |
2000 |
4000 |
8000 |
|
|
КП 100 |
4 |
3 |
2 |
0 |
-7 |
-15 |
-30 |
|
КП 125 |
2 |
7 |
3 |
-2 |
-10 |
-20 |
-32 |
|
КП 160 |
5 |
7 |
3 |
-2 |
-10 |
-19 |
-32 |
|
КП 200 |
8 |
6 |
4 |
-3 |
-10 |
-19 |
-32 |
|
Доп. |
3 |
2 |
2 |
2 |
2 |
2 |
3 |
|
Обозна- чение |
S |
Поправка Кoct (дБ) |
||||||
|
Средняя частота по полосе октавы (Гц) |
||||||||
|
125 |
250 |
500 |
1000 |
2000 |
4000 |
8000 |
||
|
КП 100 |
–3 |
17 |
13 |
13 |
8 |
8 |
6 |
9 |
|
|
+3 |
16 |
11 |
11 |
6 |
7 |
4 |
7 |
|
|
+9 |
16 |
11 |
11 |
6 |
6 |
3 |
6 |
|
КП 125 |
–3 |
16 |
11 |
11 |
6 |
5 |
6 |
7 |
|
|
+3 |
15 |
10 |
10 |
5 |
4 |
3 |
6 |
|
|
+9 |
15 |
9 |
9 |
4 |
3 |
3 |
5 |
|
КП 160 |
–3 |
14 |
9 |
9 |
6 |
7 |
6 |
8 |
|
|
+3 |
13 |
8 |
8 |
5 |
5 |
6 |
6 |
|
|
+9 |
13 |
8 |
8 |
4 |
4 |
5 |
6 |
|
КП 200 |
–15 |
12 |
9 |
9 |
9 |
9 |
9 |
8 |
|
|
+9 |
11 |
8 |
8 |
7 |
7 |
7 |
7 |
|
|
+15 |
11 |
7 |
7 |
6 |
5 |
6 |
6 |
|
Допуск |
± |
6 |
3 |
3 |
2 |
2 |
2 |
3 |


Поддержка
Каталог Системы вентиляции
Получить наиболее подробную
информацию о продукции Вы всегда
можете в нашем каталоге.
Единый прайс-лист
В нашем прайс-листе вы найдете
самые актуальные цены на всю
предлагаемую нами продукцию.
Сертификаты на продукцию
Вся продукция завода полностью
сертифицирована и прошла все
необходимые испытания.