- Регулирование скорости приточного вентилятора
- Включение/выключение электрического калорифера
- Защита ТЭНов калорифера от перегрева
Щиты управления с электрическими нагревателями
Типоразмерный ряд
|
Наименование щита |
Вентилятор, кВт, 220 В |
Нагреватель, кВт, 380 В |
Максимальный рабочий ток, А |
Размеры щита, мм |
Степень защиты |
|
ЩУ2-0,4-6 |
0,4 |
6 |
13 |
400х500х220 |
IP31 |
|
ЩУ2-0,4-9 |
0,4 |
9 |
18 |
400х500х220 |
IP31 |
|
ЩУ2-0,4-12 |
0,4 |
12 |
22 |
400х500х220 |
IP31 |
|
ЩУ2-0,4-15 |
0,4 |
15 |
27 |
400х500х220 |
IP31 |
|
ЩУ2-0,8-18 |
0,8 |
18 |
32 |
400х500х220 |
IP31 |
|
ЩУ2-0,8-24 |
0,8 |
24 |
42 |
400х500х220 |
IP31 |
|
Наименование щита |
Вентилятор, кВт, 380 В |
Нагреватель, кВт, 380 В |
Максимальный рабочий ток, А |
Частотный регулятор |
Размеры щита, мм, IP66 |
|
ЩУ2-0,75-18/Р |
0,75 |
18 |
32 |
ATV212H075N4 |
600х800х250 |
|
ЩУ2-1,5-24/Р |
1,5 |
24 |
42 |
ATV212HU15N4 |
600х800х250 |



|
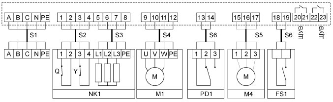
Щит управления |
Обозначение кабеля |
Тип кабеля |
|
ЩУ2-0,2-6 |
S1 S3 |
ВВГ 5х1,5 ВВГ 4х1,5 |
|
ЩУ2-0,2-9 ЩУ2-0,4-12 |
S1 S3 |
ВВГ 5х2,5 ВВГ 4х2,5 |
|
ЩУ2-0,4-15 |
S1 S3 |
ВВГ 5х4 ВВГ 4х4 |
|
ЩУ2-0,6-18 ЩУ2-0,75-18/Р |
S1 S3 |
ВВГ 5х6 ВВГ 4х6 |
|
ЩУ2-0,8-24 ЩУ2-1,5-24/Р |
S1 S3 |
ВВГ 5х10 ВВГ 4х10 |
|
Для всех ЩУ2 |
S2 S4 S5 S6 |
МКЭШ 4х0,75 ВВГ 4х1,5 МКЭШ 3х0,75 МКЭШ 2х0,75 |
Поддержка
Каталог Системы вентиляции
Получить наиболее подробную
информацию о продукции Вы всегда
можете в нашем каталоге.
Единый прайс-лист
В нашем прайс-листе вы найдете
самые актуальные цены на всю
предлагаемую нами продукцию.
Сертификаты на продукцию
Вся продукция завода полностью
сертифицирована и прошла все
необходимые испытания.