- Регулирование температуры приточного воздуха
- Электрический калорифер мощностью до 132 кВт
- Возможность подключение частотного регулятора
Щиты управления с электрическими нагревателями
Типоразмерный ряд
|
Наименование щита |
Вентилятор, кВт |
Нагреватель, кВт |
Количество ступеней нагревателя |
Максимальный рабочий ток, А |
Размеры щита, мм, IP66 |
|
ЩУ7-4,0-60 |
4,0 |
60 |
3 |
113 |
600х800х250 |
|
ЩУ7-4,0-72 |
4,0 |
72 |
3 |
132 |
600х1000х300 |
|
ЩУ7-5,5-84 |
5,5 |
84 |
4 |
155 |
600х1000х300 |
|
ЩУ7-5,5-96 |
5,5 |
96 |
4 |
174 |
600х1000х300 |
|
ЩУ7-7,5-108 |
7,5 |
108 |
5 |
199 |
600х1000х300 |
|
ЩУ7-7,5-120 |
7,5 |
120 |
5 |
218 |
600х1000х300 |
|
ЩУ7-7,5-132 |
7,5 |
132 |
6 |
238 |
800х1000х300 |


|
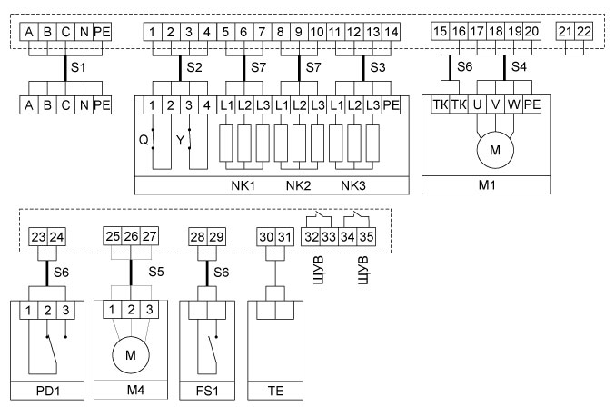
Щит управления |
Обозначение кабеля |
Тип кабеля |
|
ЩУ7-4,0-60 ЩУ7-4,0-72 ЩУ7-5,5-84 ЩУ7-5,5-96 ЩУ7-7,5-108 ЩУ7-7,5-120 ЩУ7-7,5-132 |
S1 |
ВВГ 5х35 ВВГ 5х50 ВВГ 5х50 ВВГ 5х70 ВВГ 5х70 ВВГ 5х95 ВВГ 5х95 |
|
Для всех ЩУ7 |
S2 S3 S4 S5 S6 S7 |
МКЭШ 4х0,75 ВВГ 4х10 ВВГ 4х1,5 МКЭШ 3х0,75 МКЭШ 2х0,75 ВВГ 3х10 |
Поддержка
Каталог Системы вентиляции
Получить наиболее подробную
информацию о продукции Вы всегда
можете в нашем каталоге.
Единый прайс-лист
В нашем прайс-листе вы найдете
самые актуальные цены на всю
предлагаемую нами продукцию.
Сертификаты на продукцию
Вся продукция завода полностью
сертифицирована и прошла все
необходимые испытания.